Sprzedaż hurtowa Płuczka cyklonowa na mokro

  • Płuczka cyklonowa na mokro

Płuczka cyklonowa na mokro

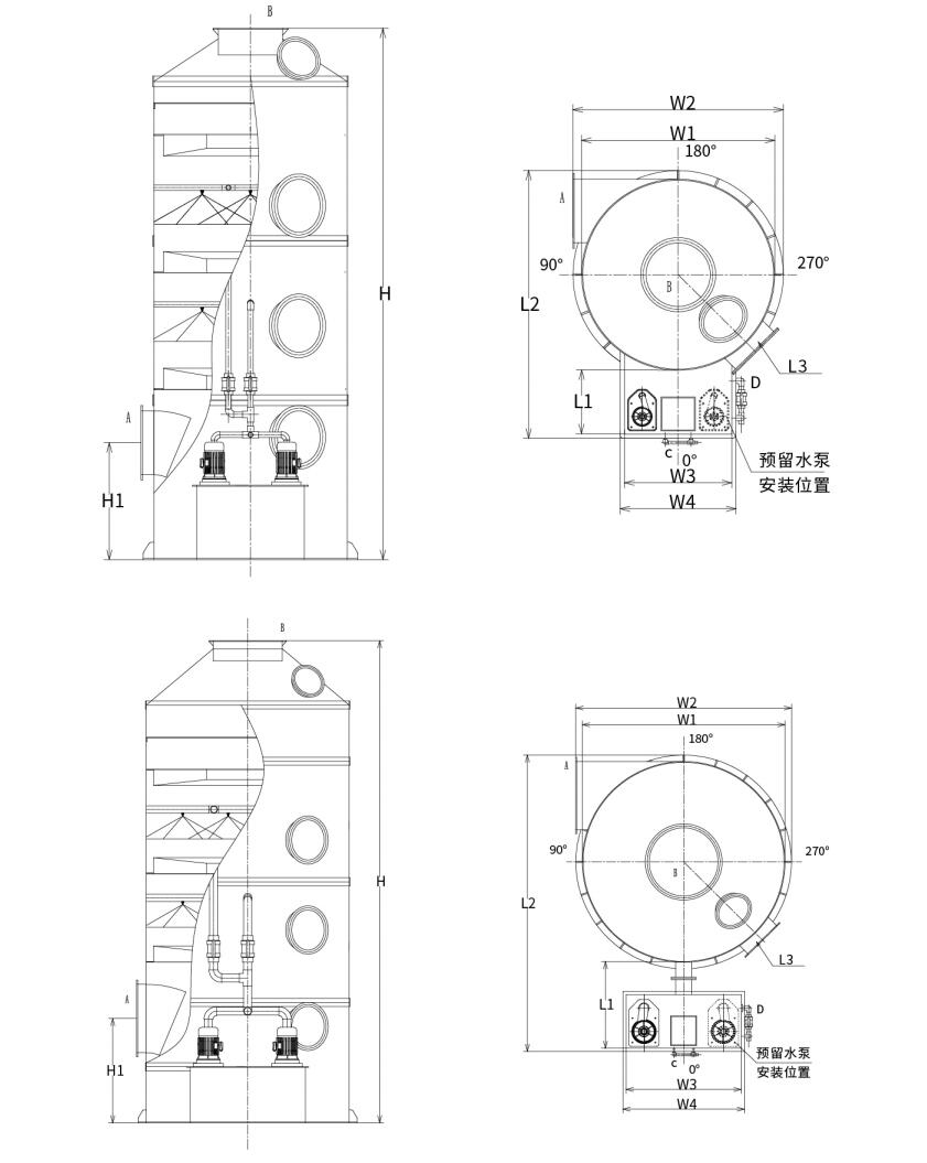
Wieża płuczkowa cyklonowa zazwyczaj ma cylindryczny korpus wyposażony w spiralne przegrody. Podczas pracy spaliny wchodzą od dołu wieży stycznie i przepływają do góry. Prowadzony przez ostrza przegród, gaz wznosi się spiralnie w górę, rozpylając ciecz spływającą po płytach w drobne kropelki. Tworzy to dużą powierzchnię kontaktu gaz-ciecz. Krople są przenoszone przez strumień gazu i obracają się, wytwarzając siłę odśrodkową, która poprawia interakcję gaz-ciecz. Na koniec kropelki są wyrzucane na ścianę wieży, spływają w dół wzdłuż ściany do następnej przegrody i są ponownie atomizowane przez strumień gazu w celu dalszego kontaktu. Jak opisano, ciecz osiąga dokładny kontakt z gazem, zachowując jednocześnie skuteczną separację, minimalizując porywanie mgły. Obciążalność gazu i cieczy tego systemu jest ponad dwukrotnie większa niż w przypadku konwencjonalnych przegród.

Doskonałe warunki kontaktu gaz-ciecz w wieży zapewniają skuteczną absorpcję gazów odlotowych przez ciecze alkaliczne. Dodatkowo płuczka cyklonowa charakteryzuje się doskonałą wydajnością usuwania pyłu. Cząsteczki pyłu zawarte w gazie są wychwytywane przez mgłę wodną na spiralnych przegrodach, a cząsteczki i kropelki wyrzucane na ścianę wieży pod wpływem siły odśrodkowej są również skutecznie usuwane. W rezultacie gaz opuszczający wieżę zawiera minimalną ilość pyłu i kropelek. Prędkość wiatru w pustej wieży waha się w granicach 2,2–2,7 m/s.

Konstrukcja wieży natryskowej wirowej:
Jak pokazano na rysunku: Kompletny system szorowania natryskowego z wypełnieniem składa się z następujących elementów:

● Korpus wieży wykonany z arkuszy PP (polipropylenu);

● Rama wykonana ze spiralnych przegród PP;

● Rury łączące natryskowe wykonane z UPVC (nieplastyfikowanego polichlorku winylu);

● Dysze spiralne PP;

● Odporna na korozję pompa obiegowa PP;

● Warstwa odmgławiacza (typu siatka/cyklon/przegroda);

● Ręczne i automatyczne urządzenia do uzupełniania wody;

● Rury przelewowe i drenażowe;

● Okno inspekcyjne.

Parametry wyboru wieży cyklonowej:
Aby zapewnić wygodę i bezpieczeństwo transportu, płuczki cyklonowe PP podzielono na dwie kategorie specyfikacji:

Typ 1: Zintegrowana płuczka cyklonowa ze zbiornikiem na wodę (średnica wieży: Φ1000 mm-Φ2200 mm)

Typ 2: Płuczka cyklonowa ze zbiornikiem na wodę typu dzielonego (średnica wieży: Φ2500 mm–Φ3500 mm)


Modelkae płuczek cyklonowych odpowiadające wydajności przepływu powietrza:

Model Zakres objętości powietrza Rozmiar urządzenia Moc pompy wodnej Liczba łopatek wirowych Zakres prędkości wiatru Materiał wyposażenia
XL-600 0-2800m3/h Φ600×2950 0,75 kW 2 0-2,76 m/s PP/304/Q235/FRP
XL-800 3800-5000m3/h Φ800×3300 0,75 kW 2 2,11-2,77 m/s PP/304/Q235/FRP
XL-1000 6000-7500m3/h Φ1000×4380 1,5 kW 2 2,13-2,66 m/s PP/304/Q235/FRP
XL-1200 8500-11000m3/h Φ1200×4430 2,2 kW 2 2,09-2,71 m/s PP/304/Q235/FRP
XL-1500 14000-17000m3/h Φ1500×5000 3,75 kW 2 2,2-2,68 m/s PP/304/Q235/FRP
XL-1800 20000-25000m3/h Φ1800×5650 5,5 kW 2 2,19-2,73 m/s PP/304/Q235/FRP
XL-2000 25001-30000m3/h Φ2000×6200 5,5 kW 2 2,21-2,66 m/s PP/304/Q235/FRP
XL-2200 30001-37000m³/h Φ2200×6700 7,5 kW 2 2,19-2,71 m/s PP/304/Q235/FRP
XL-2500 40000-47000m3/h Φ2500×6850 7,5 kW 2 2,27-2,66 m/s PP/304/Q235/FRP
XL-2800 49000-58000m3/h Φ2800×7900 11kw 2 2,21-2,62 m/s PP/304/Q235/FRP
XL-3000 58000-68000m3/h Φ3000×8000 11kw 2 2,28-2,67 m/s PP/304/Q235/FRP
XL-3200 68000-78000m3/h Φ3200×8000 15kw 2 2,35-2,7 m/s PP/304/Q235/FRP
XL-3500 78000-88000m3/h Φ3500×8000 15kw 2 2,25-2,54 m/s PP/304/Q235/FRP

Uwaga: Istnieje możliwość wykonania projektów niestandardowych według wymagań klienta.

Diagram doboru:

Hangzhou Lvran Environmental Protection Group Co., Ltd.

  • 1000+

    Klienci jednostek serwisowych

  • 2000+

    Krajowe przypadki inżynieryjne

Hangzhou Lvran Environmental Protection Group Co., Ltd. to kompleksowy dostawca usług inżynieryjnych w zakresie systemów oczyszczania gazów odlotowych i producent sprzętu, integrujący prace badawczo-rozwojowe, usługi techniczne, projektowanie, produkcję, instalacje inżynieryjne i obsługę posprzedażną.

We are China Płuczka cyklonowa na mokro Suppliers and Wholesale Płuczka cyklonowa na mokro Exporter, Company. Grupa jest krajowym przedsiębiorstwem z branży zaawansowanych technologii, przedsiębiorstwem naukowo-technologicznym w prowincji Zhejiang, regionalnym centrum badawczo-rozwojowym oraz jednostką kredytową z oceną AAA. Posiada ponad 30 patentów na wzory użytkowe, liczne patenty na wynalazki i prawa autorskie do oprogramowania. Grupa od dawna współpracuje w zakresie badań i rozwoju technicznego z krajowymi uniwersytetami i instytucjami, w tym z „Centrum Badań i Rozwoju Innowacji Środowiskowych” utworzonym przy Uniwersytecie Naukowo-Technologicznym w Anhui oraz „Centrum Badań i Rozwoju w zakresie Energii Plazmowej i Nowych Technologii Środowiskowych” opracowanym wspólnie z Uniwersytetem Sci-Tech w Zhejiang. Grupa stworzyła własną bazę badawczo-rozwojową i produkcyjną umożliwiającą pogłębioną współpracę techniczną. Grupa posiada podstawową technologię oczyszczania gazów LZO, posiada kwalifikacje generalnego wykonawcy poziomu 2 w zakresie komunalnych robót publicznych, licencję na produkcję bezpieczną, kwalifikacje do projektowania specjalnego klasy B w zakresie kontroli zanieczyszczenia środowiska w prowincji Zhejiang, niesklasyfikowane kwalifikacje w zakresie usług pracy oraz specjalistyczne wykonawstwo projektów specjalnych. Grupa posiada certyfikaty ISO9001 dotyczące międzynarodowej jakości, ISO14001 dotyczące zarządzania środowiskowego oraz ISO45001 dotyczące bezpieczeństwa i higieny pracy.

HONOR I CERTYFIKAT

Poniższe wyróżnienia reprezentują naszą błyskotliwość. Zdobywamy klientów dzięki produktom wysokiej jakości i zdobywamy uznanie na rynku i w każdym środowisku dzięki dobrym usługom.

  • Płytowa jednostka podstawowa i reaktor o wysokim polu elektrycznym, zapobiegająca wyciekom wzdłuż powierzchni
  • Urządzenie reakcyjne do syntezy metanolu z dwutlenku węgla i wody oraz sposób syntezy metanolu z dwutlenku węgla i wody
  • Samoczyszczący elektrofiltr
  • Odporny na korozję wentylator wysokociśnieniowy z funkcją regulacji kierunku wiatru
  • Regulowany, samoczyszczący wentylator o dużej wydajności
  • Połączony układ kontroli wstępnej obróbki gazów spalinowych poprzez katalityczne zgazowanie
  • System oczyszczania i oczyszczania gazów spalinowych z ciągłym polem elektrostatycznym do czyszczenia parowego
  • System urządzeń do oczyszczania gazów spalinowych z niskotemperaturową fotolizą UV i fotolizą plazmową
  • Certyfikat rejestracji znaku towarowego
Najnowsze wiadomości i wydarzenia
Podziel się z Tobą
Zobacz więcej wiadomości