Sprzedaż hurtowa Płuczka chemiczna

  • Płuczka chemiczna

Płuczka chemiczna

Płuczka chemiczna to zaawansowany filtr płuczący. Wykorzystuje specjalną konstrukcję i dużą powierzchnię właściwą regularnego pakowania jako pakowanie do przenoszenia masy i odwadniania. Jednocześnie, w zależności od różnych składników powodujących nieprzyjemny zapach, odpowiedni kwas, zasada i utleniacz są stosowane jako absorpcyjny płyn myjący w celu usunięcia zapachu z przestrzeni i wyeliminowania wpływu na otaczające środowisko.

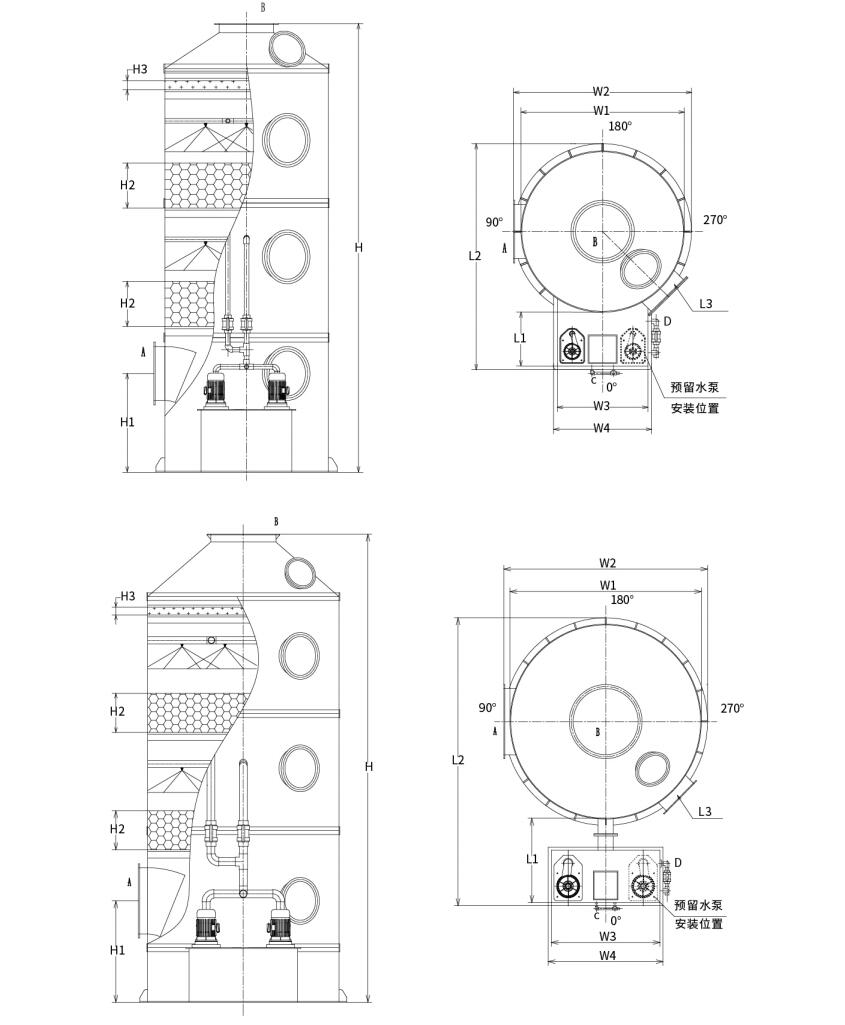
Strumień powietrza z zapachem jest transportowany kanałem powietrznym i wchodzi do wieży przez wlot wieży. Po wejściu do wieży przechodzi przez warstwę wypełnienia z dołu do góry i ostatecznie jest odprowadzany z wylotu rurociągu w górnej części wieży przez wentylator antykorozyjny. Roztwór neutralizujący przechodzi przez separator cieczy na szczycie wieży, równomiernie rozpyla się do warstwy wypełnienia, spływa po powierzchni warstwy wypełnienia do momentu odprowadzenia rurociągiem z dna wieży i jest rozprowadzany przez antykorozyjną pompę obiegową. W miarę jak stężenie substancji rozpuszczonych we wznoszącym się strumieniu powietrza staje się coraz niższe, funkcja oczyszczania zostaje osiągnięta, gdy dotrze on do szczytu wieży, i jest odprowadzany lub jest oczyszczany w następnym etapie. Wręcz przeciwnie, stężenie ośrodka w opadającej cieczy staje się coraz większe i osiąga warunki procesu, gdy dociera do dna wieży i jest z niej odprowadzane.

Zalety wieży do pakowania natryskowego: Ma wysoką wydajność, małą pojemność cieczy, lekkość i łatwą obsługę, co pozwala pracownikom natychmiast rozpocząć pracę. Wypełniacz można dobrać w zależności od warunków pracy podanych przez klienta. Istnieje wiele typów i powszechnie stosuje się pierścienie kulkowe odporne na korozję. Należy jednak zauważyć, że cząstki stałe zawieszone w wypełniaczu mogą zatykać wypełniacz ze względu na jego dużą średnicę cząstek, w związku z czym na ogół nie nadaje się on do obróbki substancji stałych. Za pomocą tego sprzętu można skutecznie oczyszczać na przykład NH₃, HCl, H₂S, tlenki azotu i organiczne gazy odlotowe powstające w fabrykach.

Struktura płuczki chemicznej:
Jak pokazano na rysunku: Kompletny system szorowania natryskowego z wypełnieniem składa się z następujących elementów:

1. Korpus wieży wykonany z arkuszy PP (polipropylenu);

2. Rama nośna opakowania z paneli kratowych PP;

3. Rury łączące natryskowe wykonane z PCV;

4. Dysze spiralne PP;

5. Pusta kula lub uszczelnienie pierścienia Palla;

6. Odporna na korozję pompa obiegowa PP;

7. Warstwa odmgławiacza siatkowego;

8. Ręczne i automatyczne urządzenia do uzupełniania wody;

9. Rury przelewowe i drenażowe;

10. Okno inspekcyjne.

Wybór płuczki chemicznej:
Tabela parametrów technicznych płuczki natryskowej z wypełnieniem

Aby zapewnić wygodę i bezpieczeństwo transportu, płuczki natryskowe pakowane w PP dzielą się na dwa typy:

Typ 1: Zintegrowana płuczka natryskowa wypełniona zbiornikiem wody (średnica wieży: Φ1000 mm-Φ2200 mm)

Typ 2: Płuczka natryskowa z dzielonym zbiornikiem na wodę (średnica wieży: Φ2500 mm–Φ3500 mm)


Dane techniczne modelu odpowiadające wydajności przepływu powietrza:

Modelka Objętość powietrza Rozmiar urządzenia Moc pompy wodnej Grubość wypełnienia Prędkość wiatru Materiał wyposażenia
LRTL-600 0-1500m3/h Φ600x3000 0,75 kW 500*2 1,48 m/s PP/304/Q235/FRP
LRTL-800 1501-2500m³/h Φ800x3000 0,75 kW 500*2 1,39 m/s PP/304/Q235/FRP
LRTL-1000 2501-4000m³/h Φ1000x5000 1,5 kW 500*2 1,42 m/s PP/304/Q235/FRP
LRTL-1200 4001-6000m3/h Φ1200x5000 2,2 kW 500*2 1,48 m/s PP/304/Q235/FRP
LRTL-1500 6001-9500m3/h Φ1500x5000 3,75 kW 500*2 1,5 m/s PP/304/Q235/FRP
LRTL-1800 9501-14000m³/h Φ1800x5000 5,5 kW 500*2 1,53 m/s PP/304/Q235/FRP
LRTL-2000 14001-17000m³/h Φ2000x6000 5,5 kW 500*2 1,5 m/s PP/304/Q235/FRP
LRTL-2200 17001-20000m³/h Φ2200x6000 7,5 kW 500*2 1,46 m/s PP/304/Q235/FRP
LRTL-2500 20001-27000m3/h Φ2500x6000 7,5 kW 500*2 1,53 m/s PP/304/Q235/FRP
LRTL-2800 27001-33000m³/h Φ2800x6000 15kw 500*2 1,49 m/s PP/304/Q235/FRP
LRTL-3000 33001-38000m³/h Φ3000x6800 15kw 500*2 1,49 m/s PP/304/Q235/FRP
LRTL-3200 38001-44000m³/h Φ3200x6800 15kw 500*2 1,52 m/s PP/304/Q235/FRP
LRTL-3500 44001-55000m³/h Φ3500x6800 15kw 500*2 1,5 m/s PP/304/Q235/FRP

Uwaga: Projekty niestandardowe można dostosować do wymagań klienta.

Diagram doboru:

Hangzhou Lvran Environmental Protection Group Co., Ltd.

  • 1000+

    Klienci jednostek serwisowych

  • 2000+

    Krajowe przypadki inżynieryjne

Hangzhou Lvran Environmental Protection Group Co., Ltd. to kompleksowy dostawca usług inżynieryjnych w zakresie systemów oczyszczania gazów odlotowych i producent sprzętu, integrujący prace badawczo-rozwojowe, usługi techniczne, projektowanie, produkcję, instalacje inżynieryjne i obsługę posprzedażną.

We are China Płuczka chemiczna Suppliers and Wholesale Płuczka chemiczna Exporter, Company. Grupa jest krajowym przedsiębiorstwem z branży zaawansowanych technologii, przedsiębiorstwem naukowo-technologicznym w prowincji Zhejiang, regionalnym centrum badawczo-rozwojowym oraz jednostką kredytową z oceną AAA. Posiada ponad 30 patentów na wzory użytkowe, liczne patenty na wynalazki i prawa autorskie do oprogramowania. Grupa od dawna współpracuje w zakresie badań i rozwoju technicznego z krajowymi uniwersytetami i instytucjami, w tym z „Centrum Badań i Rozwoju Innowacji Środowiskowych” utworzonym przy Uniwersytecie Naukowo-Technologicznym w Anhui oraz „Centrum Badań i Rozwoju w zakresie Energii Plazmowej i Nowych Technologii Środowiskowych” opracowanym wspólnie z Uniwersytetem Sci-Tech w Zhejiang. Grupa stworzyła własną bazę badawczo-rozwojową i produkcyjną umożliwiającą pogłębioną współpracę techniczną. Grupa posiada podstawową technologię oczyszczania gazów LZO, posiada kwalifikacje generalnego wykonawcy poziomu 2 w zakresie komunalnych robót publicznych, licencję na produkcję bezpieczną, kwalifikacje do projektowania specjalnego klasy B w zakresie kontroli zanieczyszczenia środowiska w prowincji Zhejiang, niesklasyfikowane kwalifikacje w zakresie usług pracy oraz specjalistyczne wykonawstwo projektów specjalnych. Grupa posiada certyfikaty ISO9001 dotyczące międzynarodowej jakości, ISO14001 dotyczące zarządzania środowiskowego oraz ISO45001 dotyczące bezpieczeństwa i higieny pracy.

HONOR I CERTYFIKAT

Poniższe wyróżnienia reprezentują naszą błyskotliwość. Zdobywamy klientów dzięki produktom wysokiej jakości i zdobywamy uznanie na rynku i w każdym środowisku dzięki dobrym usługom.

  • Płytowa jednostka podstawowa i reaktor o wysokim polu elektrycznym, zapobiegająca wyciekom wzdłuż powierzchni
  • Urządzenie reakcyjne do syntezy metanolu z dwutlenku węgla i wody oraz sposób syntezy metanolu z dwutlenku węgla i wody
  • Samoczyszczący elektrofiltr
  • Odporny na korozję wentylator wysokociśnieniowy z funkcją regulacji kierunku wiatru
  • Regulowany, samoczyszczący wentylator o dużej wydajności
  • Połączony układ kontroli wstępnej obróbki gazów spalinowych poprzez katalityczne zgazowanie
  • System oczyszczania i oczyszczania gazów spalinowych z ciągłym polem elektrostatycznym do czyszczenia parowego
  • System urządzeń do oczyszczania gazów spalinowych z niskotemperaturową fotolizą UV i fotolizą plazmową
  • Certyfikat rejestracji znaku towarowego
Najnowsze wiadomości i wydarzenia
Podziel się z Tobą
Zobacz więcej wiadomości